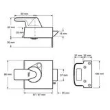
ESCAPE Escape Egress Nightlatches (2) Egress Mortice Locks (4) Egress Friction Stays (6) Additional Egress (2)